Паркет штучный - один из видов материалов для напольного покрытия, изготовленный из цельной древесины, настилаемый по определенному рисунку (ёлочка, палуба, квадраты, плетёнка, и т.д.) из отдельных планок. Классический штучный паркет (ГОСТ 862.1-85) - паркет из натурального дерева, один из лучших видов напольных покрытий для жилых помещений: гостиной, спальни, детской, кабинета или для престижного офиса крупной компании. Благодаря уникальным свойствам древесины, разнообразию используемых пород дерева, богатой палитре расцветок и фактур поверхности с его помощью можно создать поистине неповторимые интерьерные решения и обеспечить благоприятный микроклимат в помещении. Выбор штучного паркета в качестве покрытия для пола говорит о солидности, респектабельности и тонком вкусе владельца помещения. Именно такой: дубовый или буковый, ореховый или ясеневый паркет мы можем видеть в роскошных царских дворцах и в элитных современных коттеджах и квартирах, офисах и галереях. Штучный паркет в Ташкенте – это наиболее популярное и красивое покрытие для пола, придающее помещению особый уют, а интерьеру индивидуальность. Пол из паркета был всегда престижен, а срок его службы при правильной эксплуатации может составить до 100 лет.
Среди всех видов напольных покрытий, в том числе и изготовленных из натурального дерева, штучный паркет занимает особое место благодаря своим явным преимуществам:
Паркет - недешевый материал, но его замечательные свойства полностью оправдывают стоимость. Удовольствие от пребывания в помещении, в интерьере которого использован штучный паркет стоит гораздо больше, чем затраты на его приобретение.
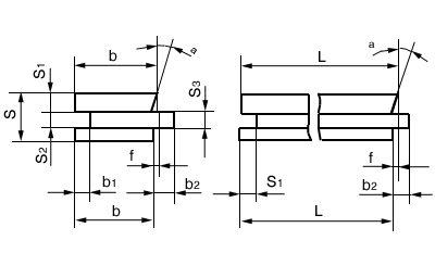
Штучный паркет представляет собой планки нормированных размеров, изготовленные из цельной древесины твердых пород и имеющие на кромках и торцах паз и гребень для плотного соединения при сборке пола.

Таблица№1
Размеры в (мм).
|
Наименования показателей |
Номинальные размеры |
Предельные отклонения |
|
Толщина s |
15 (18) |
±0,2 |
|
Ширина с градацией через 5 мм b |
От 30 до 90 |
±0,2 |
|
Длина с градацией через 50 мм l |
От 250 до 600 |
±0,3 |
|
Толщина слоя износа s1 |
7 (10) |
±0,1 |
|
Высота паза s2 |
4 |
+0,2 |
|
Толщина гребня s3 |
4 |
-0,2 |
|
Глубина паза b1 |
5 |
+0,3 |
|
Ширина гребня b2 |
4 |
-0,3 |
|
Скос грани по толщине слоя |
3° |
±30 |
|
Уменьшение размера нижней |
0,5 |
±0,1 |
Штучный паркет изготавливается из различных видов пород дерева, каждая из которых отличается особым оттенком, внешним видом и потребительскими свойствами. Обычно породы дерева делят на две группы: классические (европейские породы) и экзотические, произрастающие в тропических лесах Юго-Восточной Азии, Африке, Центральной и Южной Америке. Постоянным спросом у потребителей пользуется штучный паркет из древесины дуба, ясеня, бука, клена. Популярны из европейских пород и граб, груша, акация, орех, платан. Напольное покрытие, выполненное из паркета этих пород дерева, эстетически привлекательно и обладает хорошими эксплуатационными характеристиками.
Сегодня потребителям предлагается большой выбор штучного паркета из экзотических пород деревьев. Изделия из экзотических пород древесины используются для обустройства как однотонных полов, так и при создании художественного паркета с контрастными вставками. Огромная гамма красок, необычных по оттенкам, делает возможным применение штучного паркета в самых разных декорах, часто он становится доминантой в интерьере. Из-за того, что древесина имеет естественные цвета, напольное покрытие не нуждается в подкрашивании, а если оно потускнело от времени, то обновить паркет можно обычной шлифовкой и нанесением нового лакового покрытия.
Так называемые «экзоты» помимо своих особых свойств – терпимости к колебаниям влажности в помещении, большой плотности и прочности, ценятся за великолепные эстетические качества. Бамбук, имеющий цвет шампанского, многообразие оттенков мербау, полосатое зебрано и палисандр, темная глубина эбена сделают любую комнату неповторимой и оригинальной.
Штучный паркет делится по сортам, вид сорта зависит от тщательности отбора паркетных планок.

По разновидности штучный паркет отличается друг от друга по способу распила:
Эксплуатационные характеристики меняются в зависимости от способа распила штучного паркета – радиальный штучный паркет более устойчив к внешним воздействиям и имеет в большей степени однородный рисунок. Тангенциальный распил штучного паркета смотрится более эффектно, имеет ярко выраженный древесный узор, на котором видны годичные кольца.
Классификация штучного паркета производится по нескольким признакам: по породе используемого дерева и по качественным характеристикам. Сложно перечислить все виды пород древесины, применяемые для производства паркета. Самыми распространенными из них являются дуб, бук, ясень, клен, а также некоторые экзотические виды, такие как мербау, палисандр, тик, эбен и другие. Наилучшим и востребованным в нашей стране считается паркет из дуба и ясеня. По качеству и распилу древесины различают следующие виды штучного паркета:
Предлагаемые размеры и цена.
Предлагаемые размеры и цена
Качественный и красивый штучный паркет собственного производства предлагает компания "ELIT PARKET". Строгая система отбора, сортировки и контроля исходного сырья и готовой продукции, отлаженные производственные процессы гарантируют безупречное качество, долговечность и высокие эстетические свойства штучного паркета от "ELIT PARKET". Гарантия, доставка, самые привлекательные на рынке цены, гибкая система скидок, особые условия для постоянных клиентов, индивидуальный подход к каждому заказчику делают покупки штучного паркета у нас выгодными и приятными. Покупайте отличный паркет из дуба, ясеня, ореха от "ELIT PARKET" - создайте в своем доме или офисе атмосферу уюта, комфорта и изысканности.
Рекомендуемые страницы